ВЫБЕРИ РАЗДЕЛ

Серия Prom-DirectConnect

Серия Prom-DirectConnect является доработанной версией Prom-88. Плата оснащена клеммником Wago для облегчения подключения к блоку питания, а диоды уже подключены под 4P22S – при использовании соответствующих блоков питания 600-700мА (70В) пайка\коммутация не потребуется, линейка полностью готова к работе. При этом сохраняется возможность деления линейки пополам.

Светодиодный модуль серии Prom-DirectConnect, состоящий из печатной платы на алюминиевой подложке и светодиодов, используется в составе осветительного оборудования в качестве источника света.

Данными модулями могут комплектоваться как промышленные так и уличные светильники\прожекторы длиной 0.5 м или 0.25м в широком диапазоне мощностей (соответственно от 22 Вт до 42Вт (при стандартном токе на диод 150мА). Prom-88 позволяет (за счет использования алюминия 1.5мм толщиной и теплопроводностью 2.0) увеличивать выходную мощность линейки (светильника) до 49+Вт.

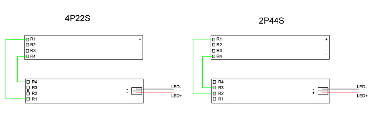
По центру модуля с обратной стороны нанесена линия скрайбирования, что, при необходимости, позволяет легко разделить модуль на две одинаковые части. Модуль спроектирован таким образом, что в зависимости от установленных на площадки под пайку перемычек, схема включения диодов может быть разная, что позволяет легко подобрать нужный блок питания (до 600-700мА0В или 300-350мАВ)

Характеристики

Тип диода/количество светодиодов, шт.
Refond SMD2835/88 шт.
Индекс цветопередачи (Ra)
>80
Цветовая температура, К
3000 (под заказ)/4000 (под заказ) /5000
Прямое падение напряжения модуля, В
В 62-72 (параллельное соединение 4P22S)
Прямое падение напряжения модуля, В
124-144 (последовательное соединение 2P44S)
Номинальный рабочий ток светодиода/модуля, мА
150/300 (последовательное соединение)
Максимальный рабочий ток светодиода/модуля, мА
175/350 (последовательное соединение)
Номинальный рабочий ток светодиода/модуля, мА
150/600 (параллельное соединение)
Максимальный рабочий ток светодиода/модуля, мА
175/700 (параллельное соединение)

Потребляемая мощность, Вт
40/49**
Световой поток одного модуля, лм
5900*/6550**
Световой поток одного светодиода, лм
67*/73

Падение напряжение на диод
2,8-3,2 (тн выборочная биновка)
Световая эффективность, лм/Вт
132*/116**
Угол излучения
120°
Температура эксплуатации, °С
от -40 до +50
Срок службы (подтверждено стандартом LM-80)
не менее 72000*
Материал печатной платы
Алюминиевая подложка, толщина: 1,5 мм; Теплопроводность 2.0 .мкм. Медная фольга, толщина: 28~35 мкм
Способ подключения
Площадки под пайку
Габаритные размеры, мм
480 x 21 x 1,5

* - параметры указаны при токе диода 150 мА, цветовой температуре излучения диода 5000-5200К и температуре 25°С.

** - параметры указаны при токе диода 175 мА, цветовой температуре излучения диода 5000-5200К и температуре 25°С.

*** - доступны тесты, проведенные в светотехнической лаборатории после прогрева

Яндекс.Метрика
© 2003 - 2020. Все права на содержимое сайта защищены в соответствии с законодательством РФ. Свободное использование размещенных материалов запрещено. Материалы и цены, опубликованные на данном сайте, не являются публичной офертой.